采购航空连接器
发布日期:2025-10-13
截止日期:2025-10-17
距离报价结束还剩 4 天
我要报价
采购产品
产品名称
产品类别
价格
采购数量
单位
图片
航空连接器
其它类
0.00
40
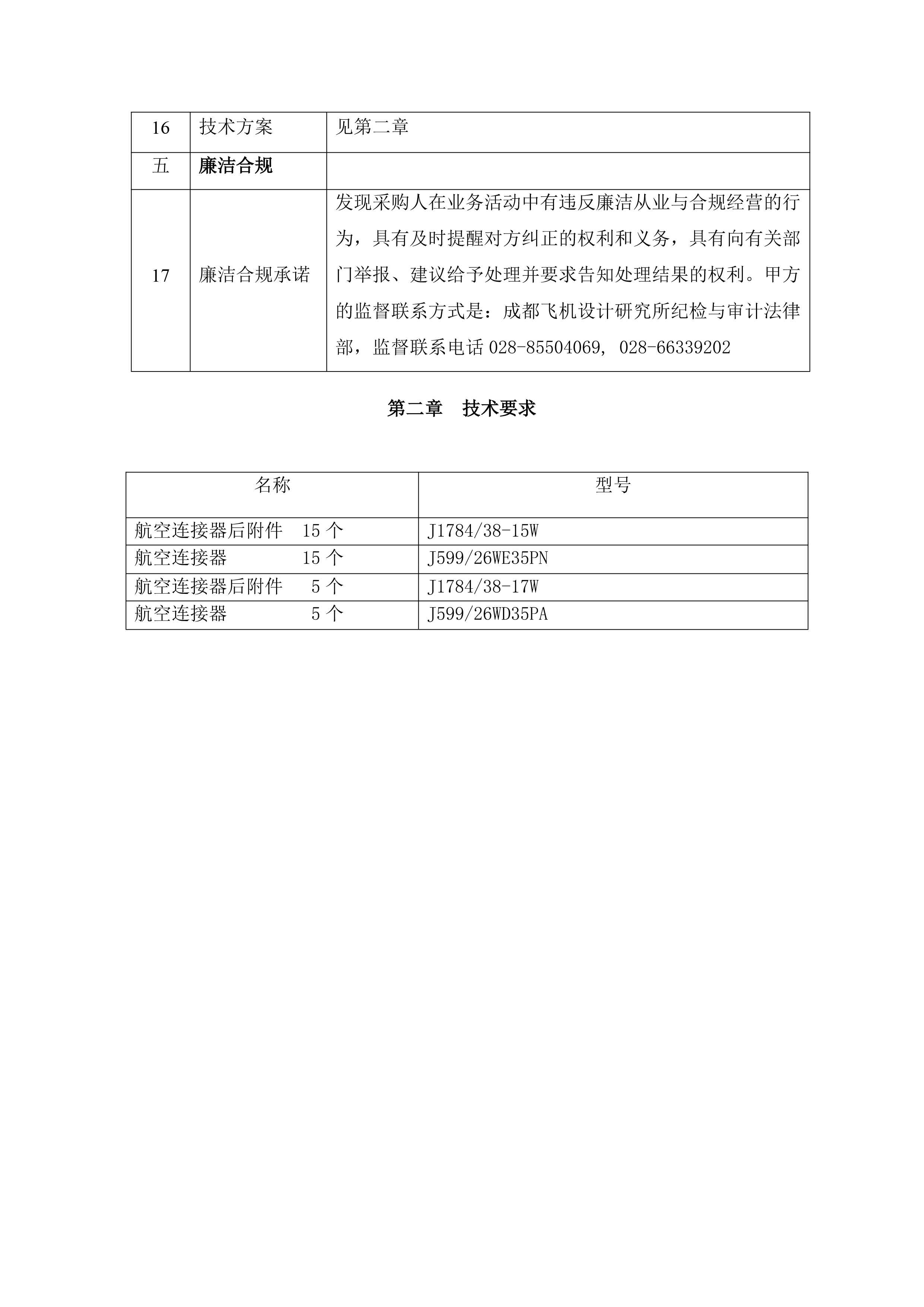
个
采购要求
所在地区四川省成都市
发票要求需要发票
样品要求不需要样品
收货地址 四川省成都市青羊区四川省成都市青羊区日月大道1610
补充说明
一、采购企业:中国航空工业集团公司成都飞机设计研究所
二、采购产品
航空连接器后附件;型号/件号:J1784/38-15W;数量:15个;
航空连接器;型号/件号:J599/26WE35PN;数量:15个;
航空连接器后附件;型号/件号:J1784/38-17W;数量:5个;
航空连接器;型号/件号:J599/26WE35PA;数量:5个;
三、交货方式:一次性交货,验收合格后付款
四、收货地址: 四川省成都市青羊区四川省成都市青羊区日月大道1610
五、对供应商的要求:公司章程,生产许可证书,质量管理体系认证证书
六、补充说明:供应商资质详见附件
此信息来源于中航工业电子采购平台。
免责声明:以上所展示的信息由商家自行提供,内容的真实性、准确性和合法性由发布此信息的商家负责,航化网对此不承担任何保证责任。
友情提醒:我们建议您在跟商家发生任何交易之前,务必先确认该商家的资质,若是大规模交易需先签署正规合同。请谨慎交易,谨防欺诈行为。